Wall Mounted Accessible Drinking Fountain (Non Chilled)
Product Code: ACCDF
DDA compliant.
Description
Wall-Mounted Accessible Drinking Fountain – Non-Chilled
Product Code: ACCDF
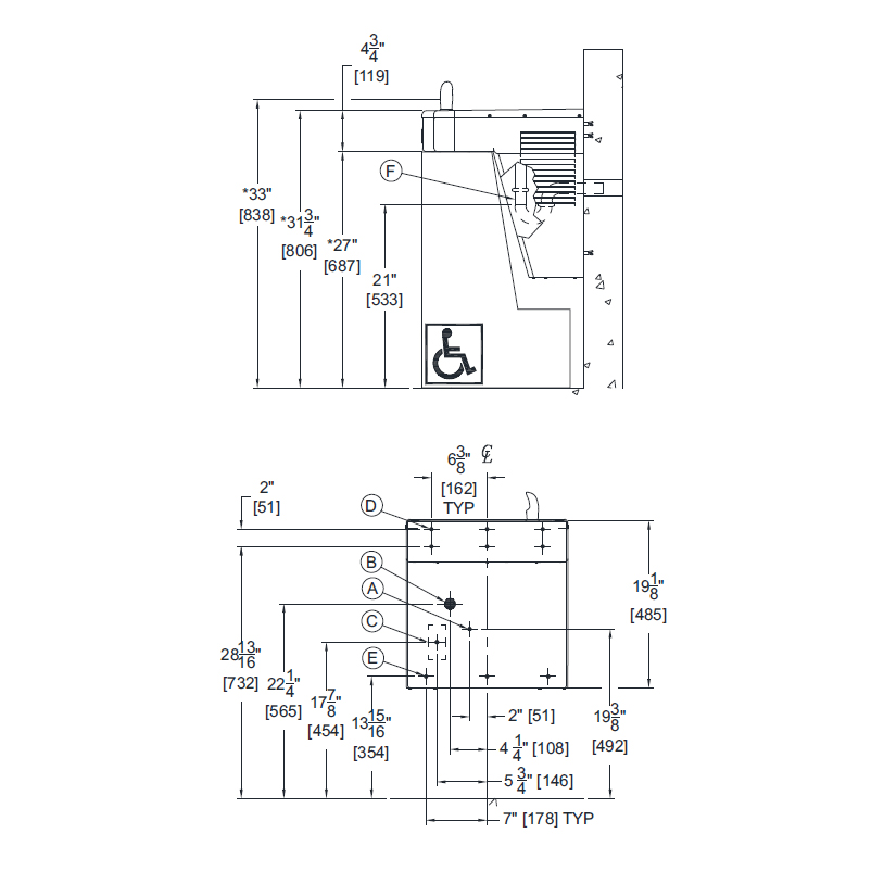
The ACCDF Wall-Mounted Accessible Drinking Fountain (Non-Chilled) is a commercial-grade hydration unit designed to meet modern accessibility standards. Constructed from premium grade 304 stainless steel, it delivers long-lasting performance in schools, offices, sports facilities and industrial premises.
This non-chilled fountain provides reliable mains-fed drinking water and features an antimicrobial activation button for hygienic operation. Its design allows installation at standard or junior height, making it an adaptable option for various environments.
Dimensions & Specifications
Height: 485mm (excluding bubbler)
Width: 470mm
Depth: 470mm
Material: 304 grade stainless steel
Operation: Anti-microbial push-button bubbler
Water Type: Unchilled mains-fed supply
Supplied With
Anti-microbial bubbler valve with flexible guard
Pre-plumbed Y-strainer and flow adjuster
32mm waste fitting
Delivery
In stock for fast turnaround
Standard delivery: 1–3 working days
Alternative Products
Sensor-operated bottle filler version non chilled
Chilled wall-mounted fountain
Chilled fountain with bottle filler
**All pictures shown are for illustration purpose only and may be subject to change without notice. Actual product may vary due to product enhancement.
All dimensions shown are for guidance only and may be subject to change or alteration without notice. All items manufactured or purchased separately from a third party to fit our products should be checked against the actual dimensions of the physical product before purchase. We will not be liable for third party costs and consequential loss associated with the items not fitting third party components.**
Dimensions

Delivery
Delivery
From stock usually 1 to 3 working days.
Delivery Times
Delivery times stated on the website are indicative of the average time it takes to deliver each product. All delivery times are based on working days and do not include weekends or Bank Holidays.
For remote areas sometimes deliveries may take a little longer than specified.
We will contact you if there are any known delays in the delivery times on your order.
Delivery Method
All orders are despatched by the most suitable and economic method.
If you have ordered several items they may arrive separately to make sure they are delivered by the quickest and most appropriate method, and to guarantee you get the best prices.
Please note our carriers do not offer fixed time slots, and due to time constraints are not able to telephone before delivering.
Product Attribute

